Mortaisage-Engrenage Richard
logo
Image Machines

Mortaisage

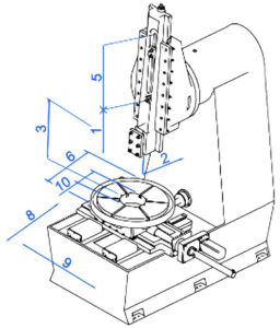
Mortaiseuse cams 4AC

Usinage automatique de rainures longitudinales et horizontales préprogrammées et réversibles et rotation automatique de la table tournante pour toute profondeur et tout diamètre de rainure requis.

Machine
schema